PCB設計是集成電路應用設計中一個至關重要的環節。設計結果的優劣直接影響整個設計功能。因此,合理高效的PCB Layout是芯片電路設計調試成功中至關重要的一步。接下來深圳PCB設計公司宏力捷電子為大家介紹PCB Layout的設計要點。
PCB Layout的設計要點
元器件封裝選擇
電阻選擇: 所選電阻耐壓、最大功耗及溫度不能超出使用范圍。

電容選擇: 選擇時也需要考慮所選電容的耐壓與最大有效電流。
電感選擇: 所選電感有效值電流、峰值電流必須大于實際電路中流過的電流。
電路設計常見干擾
串擾: 設計線路平行走線距離過長時, 導線間的互容、互感將能量耦合至相鄰的傳輸線。可以通過以下方法減少串擾影響:
1、加入安全走線
2、實際時盡量讓相鄰走線互相垂直
3、每走一段距離的平行線,增大兩者間的間距
反射:由于布線的彎角、分支太多造成傳輸線上阻抗不匹配,可以通過減少線路上的彎角及分支線或者避免直角走線及分支線補強來進行改善。
確定接地方式
單點接地(適用于低頻電路):所有的電路接地線接到公共地線同一點, 接線簡單且減少地線回路相互干擾。
,
多點接地(適用于多層板電路/高頻電路):系統內部各部分就近接地,提供較低的接地阻抗。

增加濾波、旁路電容
為保證輸入/輸出電壓穩定,增加輸入/輸出電容。
在電源和IC間增加旁路電容,以保證輸入電壓穩定并濾除高頻噪聲。
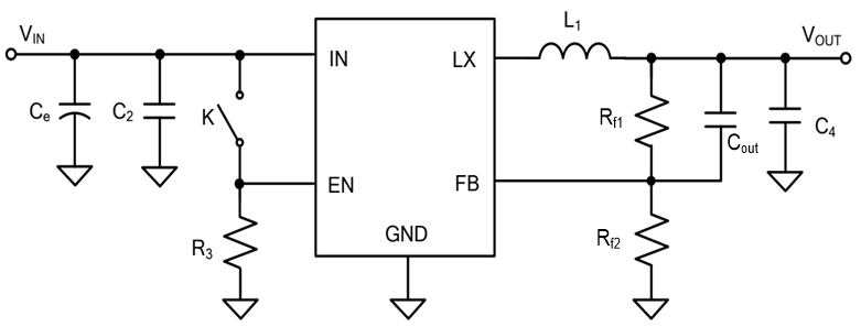
阻抗位置設計
相對來說阻抗越高的位置, 越容易被干擾。如下為一同步降壓芯片的PCB阻抗位置設計。
深圳宏力捷電子是一家專業從事電子產品電路板設計(layout布線設計)的PCB設計公司,主要承接多層、高密度的PCB設計畫板及電路板設計打樣業務。擁有平均超過10年工作經驗的PCB設計團隊,能熟練運用市場主流PCB設計軟件,專業高效溝通保證PCB設計進度,助您早一步搶占市場先機!
深圳宏力捷推薦服務:PCB設計打樣 | PCB抄板打樣 | PCB打樣&批量生產 | PCBA代工代料
